
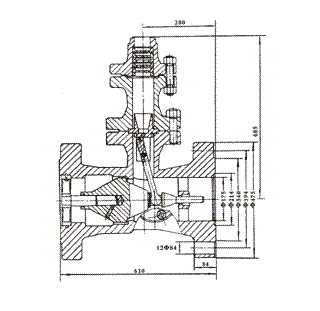
动作原理
打开出口阀,给水泵启动,给水达到一定的压力后,阀芯自动升起,推离阀座,给水即流出。同时阀芯连杆拔动排空口阀片封闭排空口。当给水泵流量减小时,阀芯下落,推动连杆拔开排空阀片,开启再循环门维持水泵最小流量。当停泵时,阀芯自动下落关闭通道,从而防止高压水锤对给水系统的破坏。
| 公称压力 PN/MPa | 壳体试验压力 Ps/MPa | 工作压力 PN/MPa | 适用介质 | 工作温度/℃ |
| 20.O | 30.O | 20.O | 水 | ≤160 |
| 零件名称 | 材料 |
| 阀体、定位轮、连接法兰、排气法兰、法兰盖 | 碳素铸钢 |
| 导向轴、拔叉、轴套、滑块、排放套、排气盘 | 不锈钢 |
| 螺栓、螺柱 | 铬钼钢 |
| 衬套 | 铸铝青铜 |
| 阀瓣、阀瓣体、阀瓣轴、连接叉、螺母 | 优质碳素钢 |
