
不锈钢阀门产品特征
不锈钢球阀公称压力:2.5MPa
不锈钢球阀适用稳定范围:-20~232℃~350℃
不锈钢球阀适用介质:水、油、气及某些腐蚀性液体(W。O。G)
不锈钢球阀螺纹类型:G.NPT.BSPT.BSP.DIN259/2999
|
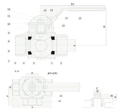
零件名称
|
材质
|
|
阀体
|
不锈钢CF8M/CF8
|
|
阀盖
|
不锈钢CF8M/CF8
|
|
球
|
不锈钢CF8M/CF8
|
|
球垫
|
聚四氟乙烯PTEE
|
|
阀杆
|
不锈钢CF8M/CF8
|
|
填料
|
聚四氟乙烯PTEE
|
|
中口
|
聚四氟乙烯PTEE
|
|
大薄片
|
聚四氟乙烯PTEE
|
|
压紧螺母
|
不锈钢CF8M/CF8
|
|
手柄
|
不锈钢CF8M/CF8
|
|
流向指示牌
|
ALUMINUM
|
|
华司
|
不锈钢CF8
|
|
螺帽
|
不锈钢CF8
|
|
锁定装置
|
不锈钢CF8
|
|
皮套
|
塑料
|
|
盲盖
|
不锈钢CF8M/CF8
|
|
SIZE
|
d
|
L
|
H
|
D1
|
B
|
W1
|
W2
|
h
|
|
1/2"
|
12.7
|
64
|
53
|
97
|
32.0
|
22.4
|
35.0
|
10-24UNC
|
|
3/4"
|
16.0
|
76
|
63
|
126
|
38.0
|
22.4
|
35.0
|
10-24UNC
|
|
1"
|
20.0
|
87
|
66
|
126
|
43.5
|
22.4
|
35.0
|
10-24UNC
|
|
1/4"
|
25.0
|
96
|
81
|
145
|
48.0
|
22.4
|
35.0
|
10-24UNC
|
|
1/2"
|
32.0
|
114
|
83
|
145
|
57.0
|
22.4
|
38.1
|
1/4-20UNC
|
|
2"
|
38.1
|
142
|
96
|
204
|
71.0
|
22.4
|
38.1
|
1/4-20UNC
|
