
用途及特点
该球阀主要用于截断或接通管路中的介质,亦可用用于流体的调节与控制,它与其它阀类相比,具有以下一些优点。
1、流体阻力小、球阀是所有阀类中流体阻力最小的一种,即使是缩径球阀,其流体阻力也相当小。
2、止推轴承减小阀杆磨擦力矩,可使阀杆长期操作平稳灵活。
3、阀座密封性能好,采用聚四氟乙烯等弹性材料制成的密封圈,结构易于密封,而且球阀的阀封能力随着介质压力的增高而增大。
4、阀杆密封可靠,由于阀杆只作彷转动运而不做升降运动,阀杆的填料密封不易破坏,且密封能力随着介质的压力增高而增大。
5、由于聚四氟乙烯等材料具有良好的自润滑性,与球体的磨擦损失小,故球阀的使用寿命长。
6、下装式阀杆和阀杆头部凸阶防止阀杆喷出,如火灾造成阀杆密封破坏,凸阶与阀体间还可形成金属接触,确保阀杆密封。
7、 防静电功能:在球体、阀杆、阀体之间设置弹簧,能将开关过程产生的静电导出。
采用新型系列GT型气动执行器,有双作用式和单作用式(弹簧复位),齿轮齿条传动,安全可靠;大口径阀门采用系列AW型气动执行器拔叉式传动,结构合理,输出扭矩大,有双作用式和单作用式。
1、齿轮式双活塞,输出力矩大,体积小。
2、气缸选用铝金材料,重量轻、外形美观。
3、可在顶部、底部安装手动操作机构。
4、齿条式连接可调节开启角度、额定流量。
5、执行器可选带电讯号反馈指示及各类附件以实现自动化操作。
6、IS05211标准连接为产品的安装更换提供了方便。
7、两端调的节螺钉可使标准产品在0°和90°有±4°的可调范围。确保与阀门的同步精度。
性能规范
|
公称通径mm
|
DN15-DN300
|
|||||
|
材料代号
|
C
|
P
|
R
|
|||
|
主要零件 |
阀 体
|
WCB
|
ZG1Cr18Ni9Ti
|
ZG1Cr18Ni12Mo2Ti
|
||
|
球 体
|
2Cr13
|
1Cr18Ni9Ti
|
1Cr18Ni12MoTi
|
|||
|
阀 杆
|
2Cr13
|
1Cr18Ni9Ti
|
1Cr18Ni12MoTi
|
|||
|
密封圈
|
增强聚四氟乙烯 对位聚苯
|
|||||
|
填 料
|
聚四氟乙烯 柔性石墨
|
|||||
|
适用工况
|
适用介质
|
蒸汽、水、油品
|
硝酸类
|
醋酸类
|
||
|
适用温度
|
-28℃ - 300℃
|
|||||
|
执行器
|
型 号
|
DA/SR系列、GTD/GTE系列、QGSY系列等
|
||||
|
气源压力
|
0.4-0.7MPa
|
|||||
|
试验压力
(Mpa) |
公称压力(Mpa)
|
压力级(class)
|
JIS(Mpa)
|
|||||||
|
1.6
|
2.5
|
4.0
|
6.4
|
10.0
|
150
|
300
|
600
|
10K
|
20K
|
|
|
强度试验
|
2.4
|
3.8
|
6.0
|
9.6
|
15.0
|
3.1
|
7.8
|
15.3
|
2.4
|
3.8
|
|
密封试验
|
1.8
|
2.8
|
4.4
|
7.0
|
11.0
|
2.2
|
5.6
|
11.2
|
1.5
|
2.8
|
|
气密试验
|
0.5~0.7
|
|||||||||
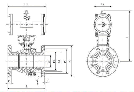
|
公称通径
DN(mm) |
尺 寸(mm)
|
执 行 器 型 号
|
||||||||||||||
|
1.6MPa
|
2.5MPa
|
4.0MPa
|
||||||||||||||
|
L
|
D
|
D1
|
b
|
Z-фD
|
L
|
D
|
D1
|
b
|
Z-фD
|
L
|
D
|
D1
|
b
|
Z-фD
|
可选配DA/SR、QGSY、
SY-CH、GTD/GTE AW/AWS、SY-YD、 系列执行器 以上选配仅供参考具体 选区用根据实际要求 |
|
|
15
|
130
|
95
|
65
|
14
|
4-14
|
130
|
95
|
65
|
16
|
4-14
|
130
|
130
|
65
|
16
|
4-14
|
|
|
20
|
130
|
105
|
75
|
14
|
4-14
|
130
|
105
|
75
|
16
|
4-14
|
150
|
150
|
75
|
16
|
4-14
|
|
|
25
|
140
|
115
|
85
|
14
|
4-14
|
140
|
115
|
85
|
16
|
4-14
|
160
|
160
|
85
|
16
|
4-14
|
|
|
32
|
165
|
135
|
100
|
16
|
4-18
|
165
|
135
|
100
|
18
|
4-18
|
180
|
180
|
100
|
18
|
4-18
|
|
|
40
|
165
|
145
|
110
|
16
|
4-18
|
165
|
145
|
110
|
18
|
4-18
|
200
|
200
|
110
|
18
|
4-18
|
|
|
50
|
203
|
160
|
125
|
16
|
4-18
|
203
|
160
|
125
|
20
|
4-18
|
230
|
230
|
125
|
20
|
4-18
|
|
|
65
|
222
|
180
|
145
|
18
|
4-18
|
222
|
180
|
145
|
22
|
8-18
|
290
|
290
|
145
|
22
|
8-18
|
|
|
80
|
241
|
195
|
160
|
20
|
8-18
|
241
|
195
|
160
|
22
|
8-18
|
310
|
310
|
160
|
22
|
8-18
|
|
|
100
|
305
|
215
|
180
|
20
|
8-18
|
305
|
230
|
190
|
24
|
8-23
|
350
|
350
|
190
|
24
|
8-23
|
|
|
125
|
356
|
245
|
210
|
22
|
8-18
|
356
|
270
|
220
|
28
|
8-25
|
400
|
270
|
220
|
28
|
8-25
|
|
|
150
|
394
|
280
|
240
|
24
|
8-23
|
394
|
300
|
250
|
30
|
8-25
|
480
|
300
|
250
|
30
|
8-25
|
|
|
200
|
457
|
335
|
295
|
28
|
12-23
|
457
|
360
|
310
|
34
|
12-25
|
600
|
375
|
320
|
38
|
12-30
|
|
