
产品概述
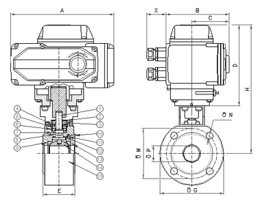
Q971型电动球阀适用于两位切断、调节的场合。阀与执行机构的连接采用直连方式,电动执行机构内置伺服系统,无须另配伺服放大器,输入4-20mA信号及220VAC电源即可控制运转。具有连线简单,结构紧凑、尺寸小、重量轻、阻力小、动作稳定可靠等优点。执行机构可根据用户要求另配置UNIC、PSQ、HQ、DHL等型号电子式电动执行机构或GTX、AL等气活塞式执行机构。
执行标准
1、设计与制造:GB12237-89、API608、API 6D、JPI 7S-48、BS5351、DIN3357。
2、法兰尺寸:JB/T74~90(JB74~90)、GB9112~9131、HGJ44~76、SH3406、ANSI B16.5、JIS B2212~2214、NF E29-211、DIN2543。
3、结构长度:GB12221-89、ANSI B16.10、JIS B2002、NF E29-305、DIN3202。
4、检验主试验:JB/T 9092、API 598。
|
试验压力
(Mpa) |
公称压力(Mpa)
|
压力级(class)
|
JIS(Mpa)
|
|||||||
|
1.6
|
2.5
|
4.0
|
6.4
|
10.0
|
150
|
300
|
600
|
10K
|
20K
|
|
|
强度试验
|
2.4
|
3.8
|
6.0
|
9.6
|
15.0
|
3.1
|
7.8
|
15.3
|
2.4
|
3.8
|
|
密封试验
|
1.8
|
2.8
|
4.4
|
7.0
|
11.0
|
2.2
|
5.6
|
11.2
|
1.5
|
2.8
|
|
气密试验
|
0.5~0.7
|
|||||||||
|
零件名称
|
材 料
|
||||||
|
阀体
|
WCB
|
ZG1Cr18Ni9Ti
|
CF8
(304) |
CF3 |
ZG1Cr18Ni12Mo2Ti
|
CF8M(316)
|
CF3M
(316L) |
|
球体、阀杆
|
2Cr13
|
1Cr18Ni9Ti
|
0Cr19Ni9
(304) |
00Cr19Ni11
(304L) |
1Cr18Ni12Mo2Ti
|
0Cr17Ni12Mo2
(316) |
00Cr17Ni12Mo2
(316L) |
|
密封圈
|
聚四氟乙烯(PTFE)、增强聚四氟乙烯(PPL)、对位聚苯 柔性石墨
|
||||||
|
适用介质
|
水、气体、蒸汽、油品等
|
硝酸等腐蚀性介质
|
强氧化性介质
|
醋酸等腐蚀介质
|
尿素等腐蚀性介质
|
||
|
公称
通径 |
L
|
H(mm)
|
重量(kg)
|
||||||||||
|
mm
|
mm
|
Q47
|
Q347
|
Q647
|
Q947
|
Q47
|
Q347
|
Q647
|
Q947
|
Q67
|
Q367
|
Q667
|
Q967
|
|
100
|
305
|
178
|
.
|
416
|
470
|
55
|
.
|
90
|
110
|
80
|
.
|
85
|
105
|
|
125
|
381
|
252
|
.
|
542
|
520
|
80
|
.
|
120
|
145
|
75
|
.
|
115
|
140
|
|
150
|
403
|
.
|
205
|
572
|
538
|
.
|
140
|
170
|
205
|
.
|
125
|
155
|
190
|
|
200
|
502
|
.
|
398
|
736
|
580
|
.
|
220
|
250
|
275
|
.
|
200
|
230
|
255
|
|
250
|
568
|
.
|
495
|
890
|
637
|
.
|
365
|
310
|
335
|
.
|
340
|
295
|
310
|
|
300
|
648
|
.
|
580
|
910
|
684
|
.
|
530
|
485
|
475
|
.
|
500
|
455
|
445
|
|
350
|
762
|
.
|
625
|
1020
|
796
|
.
|
740
|
600
|
600
|
.
|
695
|
555
|
545
|
|
400
|
838
|
.
|
720
|
1080
|
842
|
.
|
900
|
955
|
895
|
.
|
845
|
900
|
840
|
|
450
|
914
|
.
|
770
|
1120
|
874
|
.
|
1170
|
1250
|
1105
|
.
|
1105
|
1195
|
1045
|
|
500
|
991
|
.
|
840
|
1150
|
904
|
.
|
1340
|
1550
|
1360
|
.
|
1270
|
1480
|
1290
|
|
600
|
1143
|
.
|
1050
|
1210
|
1120
|
.
|
1580
|
1740
|
1495
|
.
|
1480
|
1680
|
1405
|
|
700
|
1245
|
.
|
110
|
1300
|
1218
|
.
|
1885
|
2000
|
1850
|
.
|
1785
|
1900
|
1750
|
|
800
|
1397
|
.
|
1150
|
1460
|
1328
|
.
|
2190
|
2310
|
2050
|
.
|
2070
|
2200
|
1930
|
