
产品特点
1、手动部分可采用钢板压制的手柄或不锈钢铸造的手柄。手柄设有限位结构,在阀门开启、关闭的位置设定限位,当阀门使用在关键装置上时,限位块上设有锁孔可锁定开关 位置避免误操作。手柄上有明显地开和关标识。
2、阀杆采用A182F(1Cr13)整体锻造并调制处理,硬度达到HB220~250。阀杆通过平键或花键或方契与手柄连接,通用性强,拆装方便。阀杆设有防吹出结构。
3、阀门的填料选用编结、柔性石墨密封圈或四氟烯密封圈,使得阀杆在一定的润滑情况下实现可靠的密封。
4、根据需要,球阀可设计成防静电结构,在球体与阀杆、阀杆与阀体之间设置导电弹簧,避免静电打火点燃易燃物质,确保系统安全。
5、密封副形式多样。根据不同工况可选用软密封、硬密封、防火阀座等结构;DN150以下为浮球形式,DN200以下为固定球形式。
6、球阀阀座处可设置辅助密封结构,在阀座和阀杆部位加装注脂阀,紧急情况下可暂时密封,并可根据需要加长阀杆以适宜埋地铺设得场所
|
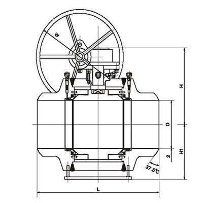
阀体
|
阀杆
|
阀球
|
密封面
|
垫片
|
填料
|
工作温度
|
适用介质
|
|
WCB
|
1Cr13
|
1Cr13
|
1Cr13 司太立合金 本体材料 |
柔性石墨 不锈钢加柔性石墨 08软钢 F304 F316 |
柔性石墨 编结石墨 |
-29-425℃
|
水、蒸汽、油品
|
|
WC6
|
15CrMo
|
15CrMo
|
-29-425℃
|
||||
|
WC9
|
25Cr2MoV
|
25Cr2MoV
|
|||||
|
LCB
|
304
|
304
|
-46-354℃
|
||||
|
CF8
|
304
|
304
|
96-600℃
|
部分酸、碱
|
|||
|
CF3
|
304L
|
304L
|
|||||
|
CF8M
|
316
|
316
|
|||||
|
CF3M
|
316L
|
316L
|
Class 150Lb
|
公称通经DN
|
NPS
|
2"
|
3"
|
4"
|
6"
|
8"
|
10"
|
12"
|
14"
|
16"
|
18"
|
20"
|
|
|
DN
|
50
|
80
|
100
|
150
|
200
|
250
|
300
|
350
|
400
|
450
|
500
|
||
|
d1
|
51
|
76
|
102
|
152
|
203
|
254
|
305
|
337
|
387
|
438
|
489
|
||
|
L
|
RF
|
178
|
203
|
229
|
394
|
457
|
533
|
610
|
686
|
762
|
864
|
914
|
|
|
BW
|
216
|
283
|
305
|
457
|
521
|
559
|
635
|
762
|
838
|
914
|
991
|
||
|
H1
|
100
|
110
|
130
|
175
|
210
|
274
|
305
|
340
|
395
|
440
|
470
|
||
|
H
|
165
|
90
|
200
|
270
|
300
|
380
|
420
|
450
|
530
|
560
|
605
|
||
|
W
|
400
|
700
|
850
|
600
|
600
|
600
|
800
|
800
|
800
|
800
|
800
|
||
|
E
|
-
|
-
|
-
|
116
|
116
|
116
|
171
|
171
|
257
|
257
|
257
|
||
|
F
|
-
|
-
|
-
|
350
|
350
|
350
|
420
|
420
|
500
|
500
|
500
|
||
|
WT(KG)
|
24
|
50
|
75
|
195
|
280
|
440
|
570
|
800
|
1480
|
2350
|
2400
|
||
Class 300Lb
|
公称通经DN
|
NPS
|
2"
|
3"
|
4"
|
6"
|
8"
|
10"
|
12"
|
14"
|
16"
|
18"
|
20"
|
|
|
DN
|
50
|
80
|
100
|
150
|
200
|
250
|
300
|
350
|
400
|
450
|
500
|
||
|
d1
|
51
|
76
|
102
|
152
|
203
|
254
|
305
|
337
|
387
|
438
|
489
|
||
|
L
|
RF
|
178
|
203
|
229
|
394
|
457
|
533
|
610
|
686
|
762
|
864
|
914
|
|
|
BW
|
216
|
283
|
305
|
457
|
521
|
559
|
635
|
762
|
838
|
914
|
991
|
||
|
H1
|
100
|
110
|
130
|
175
|
210
|
274
|
305
|
340
|
395
|
440
|
470
|
||
|
H
|
165
|
90
|
200
|
270
|
300
|
380
|
420
|
450
|
530
|
560
|
605
|
||
|
W
|
400
|
700
|
850
|
600
|
600
|
600
|
800
|
800
|
800
|
800
|
800
|
||
|
E
|
-
|
-
|
-
|
116
|
116
|
116
|
171
|
171
|
257
|
257
|
257
|
||
|
F
|
-
|
-
|
-
|
350
|
350
|
350
|
420
|
420
|
500
|
500
|
500
|
||
|
WT(KG)
|
30
|
58
|
95
|
210
|
318
|
440
|
575
|
800
|
1840
|
2700
|
2890
|
||
Class 400Lb
|
公称通经DN
|
NPS
|
2"
|
3"
|
4"
|
6"
|
8"
|
10"
|
12"
|
14"
|
16"
|
18"
|
20"
|
|
|
DN
|
50
|
80
|
100
|
150
|
200
|
250
|
300
|
350
|
400
|
450
|
500
|
||
|
d1
|
51
|
76
|
102
|
152
|
203
|
254
|
305
|
337
|
387
|
438
|
489
|
||
|
L
|
RF
|
292
|
359
|
406
|
495
|
597
|
673
|
762
|
826
|
902
|
978
|
1054
|
|
|
BW
|
295
|
356
|
410
|
498
|
600
|
676
|
765
|
829
|
905
|
978
|
1060
|
||
|
H1
|
110
|
120
|
140
|
185
|
220
|
70
|
310
|
345
|
410
|
440
|
480
|
||
|
H
|
180
|
200
|
210
|
290
|
320
|
380
|
430
|
450
|
550
|
580
|
630
|
||
|
W
|
400
|
700
|
850
|
600
|
600
|
600
|
800
|
800
|
800
|
800
|
800
|
||
|
E
|
-
|
-
|
-
|
116
|
116
|
116
|
171
|
171
|
257
|
257
|
257
|
||
|
F
|
-
|
-
|
-
|
350
|
350
|
350
|
420
|
420
|
500
|
500
|
500
|
||
|
WT(KG)
|
41
|
72
|
108
|
232
|
345
|
480
|
630
|
870
|
1950
|
2800
|
3250
|
||
Class 600Lb
|
公称通经DN
|
NPS
|
2"
|
3"
|
4"
|
6"
|
8"
|
10"
|
12"
|
14"
|
16"
|
18"
|
20"
|
|
DN
|
50
|
80
|
100
|
150
|
200
|
250
|
300
|
350
|
400
|
450
|
500
|
|
|
d1
|
51
|
76
|
102
|
152
|
203
|
254
|
305
|
337
|
387
|
438
|
489
|
|
|
L
|
RF
|
292
|
359
|
432
|
559
|
660
|
673
|
838
|
889
|
991
|
1092
|
1194
|
|
BW
|
295
|
356
|
435
|
562
|
664
|
676
|
841
|
892
|
994
|
1095
|
1200
|
|
|
RTJ
|
292
|
356
|
432
|
559
|
660
|
270
|
838
|
889
|
991
|
1092
|
1194
|
|
|
H1
|
110
|
120
|
140
|
185
|
220
|
380
|
310
|
345
|
410
|
440
|
480
|
|
|
H
|
180
|
200
|
210
|
290
|
320
|
600
|
430
|
450
|
550
|
580
|
630
|
|
|
W
|
400
|
850
|
1000
|
600
|
600
|
116
|
800
|
800
|
800
|
800
|
800
|
|
|
E
|
-
|
-
|
-
|
116
|
115
|
350
|
171
|
171
|
150
|
83
|
123
|
|
|
F
|
-
|
-
|
-
|
350
|
350
|
480
|
420
|
420
|
580
|
650
|
735
|
|
|
WT(KG)
|
32
|
64
|
120
|
260
|
500
|
700
|
1098
|
1520
|
2300
|
3250
|
3780
|
|
Class 900Lb
|
公称通经DN
|
NPS
|
2"
|
3"
|
4"
|
6"
|
8"
|
10"
|
12"
|
14"
|
16"
|
18"
|
20"
|
|
DN
|
50
|
80
|
100
|
150
|
200
|
250
|
300
|
350
|
400
|
450
|
500
|
|
|
d1
|
51
|
76
|
102
|
152
|
203
|
254
|
305
|
324
|
375
|
425
|
473
|
|
|
L
|
RF-BW
|
368
|
381
|
457
|
610
|
737
|
838
|
965
|
1029
|
1130
|
1219
|
1334
|
|
RTJ
|
371
|
384
|
460
|
613
|
740
|
841
|
968
|
1038
|
1140
|
1219
|
1334
|
|
|
H1
|
135
|
158
|
190
|
200
|
250
|
285
|
350
|
400
|
480
|
530
|
580
|
|
|
H
|
190
|
200
|
230
|
300
|
375
|
420
|
460
|
530
|
600
|
640
|
700
|
|
|
W
|
600
|
600
|
600
|
600
|
800
|
800
|
800
|
800
|
800
|
800
|
800
|
|
|
E
|
116
|
116
|
116
|
171
|
171
|
83
|
83
|
123
|
123
|
180
|
180
|
|
|
F
|
350
|
350
|
350
|
420
|
420
|
650
|
650
|
735
|
735
|
735
|
735
|
|
|
WT(KG)
|
50
|
80
|
170
|
390
|
640
|
970
|
1550
|
2150
|
3320
|
4520
|
5320
|
|
Class 1500Lb
|
公称通经DN
|
NPS
|
2"
|
3"
|
4"
|
6"
|
8"
|
10"
|
12"
|
14"
|
16"
|
20"
|
|
DN
|
50
|
80
|
100
|
150
|
200
|
250
|
300
|
350
|
400
|
500
|
|
|
d1
|
51
|
76
|
102
|
146
|
194
|
241
|
289
|
318
|
362
|
440
|
|
|
L
|
RF-BW
|
368
|
470
|
546
|
705
|
832
|
991
|
1130
|
1257
|
1384
|
1664
|
|
RTJ
|
371
|
473
|
549
|
711
|
841
|
1000
|
1146
|
1276
|
1407
|
1686
|
|
|
H1
|
140
|
160
|
200
|
210
|
260
|
300
|
365
|
420
|
500
|
600
|
|
|
H
|
200
|
220
|
250
|
320
|
400
|
450
|
490
|
560
|
640
|
790
|
|
|
W
|
600
|
600
|
600
|
600
|
800
|
800
|
800
|
800
|
800
|
800
|
|
|
E
|
116
|
116
|
171
|
171
|
83
|
83
|
123
|
123
|
180
|
220
|
|
|
F
|
350
|
350
|
420
|
420
|
650
|
650
|
735
|
735
|
735
|
735
|
|
|
WT(KG)
|
55
|
95
|
180
|
580
|
920
|
1850
|
2150
|
3820
|
5320
|
6850
|
|
