
产品特征
公称压力:1.6-6.4MPa
适用稳定范围:-20~232℃~350℃
适用介质:水、油、气及某些腐蚀性液体(W。O。G)
螺纹类型:G。NPT。BSPT。BSP。DI259/2999
|
SIZE
|
1/4"
|
3/8"
|
1/2"
|
3/4"
|
1"
|
1/4"
|
1/2"
|
2"
|
2/2"
|
3"
|
4"
|
|
D
|
11.6
|
12.7
|
15
|
20
|
25
|
32
|
38
|
50
|
65
|
80
|
100
|
|
L
|
55
|
55
|
65
|
75
|
88
|
102
|
110
|
125
|
162
|
189
|
260
|
|
H
|
50
|
50
|
60
|
64
|
71
|
78
|
86
|
95
|
130
|
148
|
180
|
|
E
|
100
|
100
|
130
|
130
|
165
|
165
|
190
|
190
|
250
|
250
|
280
|
|
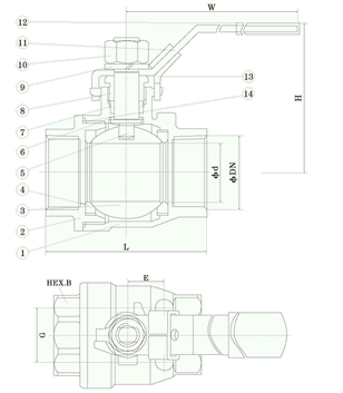
零件名称
|
材质
|
|
|
密封圈
|
聚四氟乙烯PTFE
|
碳钢
|
|
球体
|
不锈钢SS316
|
碳钢WCB
|
|
密封垫
|
聚四氟乙烯PTFE
|
聚四氟乙烯PTFE
|
|
阀盖
|
不锈钢CF8M
|
不锈钢SS316
|
|
阀体
|
不锈钢CF8M
|
不锈钢CF8M
|
|
阀杆
|
不锈钢SS316
|
不锈钢SS316
|
|
止推垫圈
|
聚四氟乙烯PTFE
|
聚四氟乙烯PTFE
|
|
填料
|
聚四氟乙烯PTFE
|
聚四氟乙烯PTFE
|
|
填料压盖螺母
|
不锈钢SS304
|
不锈钢SS304
|
|
垫圈
|
不锈钢SS304
|
不锈钢SS304
|
|
阀杆螺母
|
不锈钢SS304
|
不锈钢SS304
|
|
手柄套
|
不锈钢SS304
|
塑料PLASTIC
|
|
手柄
|
塑料
|
不锈钢SS304
|
