
1、本阀采用三偏心密封结构,阀座与蝶板几乎无磨损,具有越观越紧的密封功能。
2、密封圈选用不锈钢制作,具有金属硬密封和弹性密封的双重优点,无论在低温和高温的情况下,均具有优良的密封性能,具有耐腐蚀,使用寿命长等特点。
3、碟板密封面采用堆焊钴基硬质合金,密封面耐磨损,使用寿命长.
4、大规格蝶板采用绗架结构,强度高,过流面积大,流阻小。
5、本阀具有双向密封功能,安装时不受介质流向的限制,也不受空间位置的影响,可在任何方向安装。
6、驱动装置可以多工位(旋转90°或180°)安装,便于用户使用。
|
公称通经DN(mm)
|
50~2000
|
|||
|
公称药理PN(MPa)
|
0.6
|
1.0
|
1.6
|
2.5
|
|
密封试验(MPa)
|
0.66
|
1.1
|
1.76
|
2.75
|
|
强度试验(MPa)
|
0.9
|
1.5
|
2.4
|
3.75
|
|
适用温度
|
碳钢:-29℃~425℃ 不锈钢:-40℃~650℃
|
|||
|
适用介质
|
水、空气、天然气、油品及弱腐蚀性流体
|
|||
|
泄漏率
|
符合GB/T13927-92标准
|
|||
|
驱动方式
|
蜗轮传动、电动、气动、液动
|
|||
|
零件名称
|
材料
|
|
阀体
|
WCB、合金钢、不锈钢、QT4500
|
|
蝶板
|
WCB、合金钢、不锈钢、QT4500
|
|
阀轴
|
2Cr13不锈钢、合金钢
|
|
密封圈
|
不锈钢圈
|
|
填料
|
柔性石墨
|
|
制造标准
|
JB/T 8527-97
|
|
法兰标准
|
GB9113-2000
|
|
结构长度标准
|
GB12221-89
|
|
检验标准
|
GB/T 13927-92
|
|
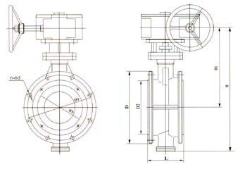
公称通经(DN) |
主要尺寸
|
法兰尺寸和螺栓规格
|
||||||||||
|
1.0MPa
|
1.6MPa
|
2.5MPa
|
||||||||||
|
L
|
H1
|
H
|
D
|
D1
|
n-Фd
|
D
|
D1
|
n-Фd
|
D
|
D1
|
n-Фd
|
|
|
50
|
108
|
350
|
112
|
165
|
125
|
48
|
165
|
125
|
48
|
165
|
125
|
48
|
|
65
|
112
|
370
|
115
|
185
|
145
|
48
|
185
|
145
|
48
|
185
|
145
|
88
|
|
80
|
114
|
380
|
120
|
200
|
160
|
48
|
200
|
160
|
88
|
200
|
160
|
88
|
|
100
|
127
|
420
|
138
|
220
|
180
|
88
|
220
|
180
|
88
|
235
|
190
|
8-22
|
|
125
|
140
|
460
|
164
|
250
|
210
|
88
|
250
|
210
|
8-22
|
270
|
220
|
8-26
|
|
150
|
140
|
555
|
175
|
285
|
240
|
8-22
|
285
|
240
|
8-22
|
300
|
250
|
8-26
|
|
200
|
152
|
760
|
200
|
340
|
295
|
8-22
|
340
|
295
|
12-22
|
360
|
310
|
12-26
|
|
250
|
165
|
830
|
243
|
395
|
350
|
12-22
|
405
|
355
|
12-26
|
425
|
370
|
12-30
|
|
300
|
178
|
895
|
250
|
445
|
400
|
12-22
|
460
|
410
|
12-26
|
485
|
430
|
16-30
|
|
350
|
190
|
950
|
280
|
505
|
460
|
16-22
|
520
|
470
|
16-26
|
555
|
490
|
16-33
|
|
400
|
216
|
1190
|
305
|
565
|
515
|
16-26
|
580
|
525
|
16-30
|
620
|
550
|
16-36
|
|
450
|
222
|
1255
|
350
|
615
|
565
|
20-26
|
640
|
585
|
20-30
|
670
|
600
|
20-36
|
|
500
|
229
|
1305
|
380
|
670
|
620
|
20-26
|
715
|
650
|
20-33
|
730
|
660
|
20-36
|
|
600
|
267
|
1340
|
445
|
780
|
725
|
20-30
|
840
|
770
|
20-36
|
845
|
770
|
20-39
|
|
700
|
292
|
1520
|
480
|
895
|
840
|
24-30
|
910
|
840
|
24-36
|
960
|
875
|
24-42
|
|
800
|
318
|
1710
|
530
|
1015
|
950
|
24-33
|
1025
|
950
|
24-39
|
1085
|
990
|
24-48
|
|
900
|
330
|
1810
|
580
|
1115
|
1050
|
28-33
|
1125
|
1050
|
28-39
|
1185
|
1090
|
28-48
|
|
1000
|
410
|
1960
|
650
|
1230
|
1160
|
28-36
|
1255
|
1170
|
28-42
|
1320
|
1210
|
28-56
|
|
1200
|
470
|
2250
|
760
|
1455
|
1380
|
32-39
|
1485
|
1390
|
32-48
|
1530
|
1420
|
32-56
|
|
1400
|
530
|
2435
|
850
|
1675
|
1590
|
36-42
|
1685
|
1590
|
36-48
|
1755
|
1640
|
36-62
|
|
1600
|
600
|
2780
|
1030
|
1915
|
1820
|
40-48
|
1930
|
1820
|
40-56
|
1975
|
1860
|
40-62
|
|
1800
|
670
|
3020
|
1230
|
2115
|
2020
|
44-48
|
2130
|
2020
|
44-56
|
2195
|
2070
|
44-70
|
|
2000
|
760
|
3270
|
1350
|
2325
|
2230
|
48-48
|
2345
|
2230
|
48-62
|
2425
|
2300
|
48-70
|
