
产品概述
作位新一代调速型蝶阀,本阀从设计思路上改变了传统的靠机械变速来完成蝶板开关速度变化得模式,根据蝶板不同位置得动作特点,从电动驱动控制上进行了全新的设计。本系列蝶阀采取改变电动装置输入电流的频率,进而调整电动装置的转动速度和输出力矩,以达到控制蝶板开关速度,实现蝶板快关、慢关两阶段关闭或慢开、快开两阶段开启的目的。与液控蝶阀具有同样的功能。
产吕用途
本阀适用于介质为水、海水的管路的 泵出口位置,作为闭路阀兼有止回阀的特性,用以避免和减少管路系统中介质的倒流和水锤冲击,保护管路.对于电厂、水厂等工作电源十分可靠的场合尤其适用。
产品特点
1、电动启闭,具有任意调整、止回和截止功能。操作方便,安全可靠。
2、本阀可连续实现慢开、快开或快关、慢关的动作,并有效的防止了泵出口介质倒流和水锤的产生。
3、节能驱动,与普通蝶阀同样的驱动电机即可实现快关段高速小转矩和慢关低段大转矩的功能。
4、安装在泵出口时,本蝶阀同时具有止回啊和闸阀的共同功能,因此可以一阀代两阀,节约安装空间,节省管网造价。
5、流阻小。本阀全开时流阻系数不超过0.3,因此可以节约能源,降低管路的运行费用。
6、当发生事故或停电时,可以通过手动操作控制蝶阀启闭。
|
公称压力(MPa)
|
0.25
|
0.6
|
1.0
|
|
|
公称通经(mm)
|
1000~2400
|
800~2400
|
500~1600
|
|
|
试验压力
|
强度试验
|
0.375
|
0.90
|
1.5
|
|
密封试验
|
0.275
|
0.66
|
1.1
|
|
|
适用介质
|
水、海水
|
|||
|
适用温度(℃)
|
≤80℃
|
|||
|
安装方式
|
立式、卧式
|
|||
|
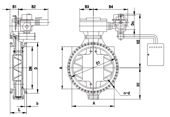
设计制造
|
法兰连接尺寸
|
结构长度
|
压力试验
|
|
GB12238
|
GB2555-2526-8
|
GB12221
|
GB/T13927
|
|
零件名称
|
材料
|
备注
|
|
阀体、蝶板、端盖
|
HT200、HT250、QT4500
|
|
|
阀轴、锥销
|
2Cr13
|
|
|
阀体密封圈
|
1Cr18Ni9Ti、2Cr13
|
|
|
蝶板密封圈
|
NBR、1Cr18Ni9Ti
|
|
|
轴承
|
SF、 SF-2
|
自润滑
|
|
填料
|
NBR
|
|
|
PN
|
DN
|
L
|
A
|
H1
|
H2
|
DO
|
B1
|
B2
|
B3
|
B4
|
|
0.25MPa
|
1000
|
410
|
|
817
|
1303
|
400
|
225
|
709
|
303
|
770
|
|
1200
|
470
|
1200
|
812
|
1529
|
400
|
225
|
709
|
303
|
760
|
|
|
1400
|
530
|
1400
|
1020
|
1692
|
400
|
225
|
728
|
303
|
760
|
|
|
1600
|
600
|
1600
|
1145
|
1885
|
400
|
275
|
843
|
385
|
778
|
|
|
1800
|
670
|
1800
|
1315
|
1924
|
400
|
275
|
879
|
385
|
792
|
|
|
2000
|
760
|
2000
|
1670
|
2095
|
400
|
275
|
969
|
450
|
856
|
|
|
2200
|
840
|
2200
|
1739
|
2487
|
400
|
430
|
1103
|
540
|
995
|
|
|
2400
|
910
|
2400
|
1699
|
2595
|
400
|
430
|
1103
|
540
|
995
|
|
PN
|
DN
|
L
|
A
|
H1
|
H2
|
DO
|
B1
|
B2
|
B3
|
B4
|
|
0.6MPa
|
800
|
318
|
|
667
|
1190
|
500
|
175
|
583
|
230
|
683
|
|
900
|
330
|
|
745
|
1245
|
400
|
225
|
709
|
303
|
770
|
|
|
1000
|
410
|
|
817
|
1303
|
400
|
225
|
709
|
303
|
760
|
|
|
1200
|
470
|
1200
|
912
|
1529
|
400
|
225
|
728
|
303
|
760
|
|
|
1400
|
530
|
1400
|
1041
|
1693
|
400
|
275
|
843
|
385
|
778
|
|
|
1600
|
600
|
1600
|
1145
|
1885
|
400
|
275
|
879
|
385
|
792
|
|
|
1800
|
670
|
1800
|
1346
|
1924
|
400
|
275
|
969
|
450
|
856
|
|
|
2000
|
760
|
2000
|
1670
|
2095
|
400
|
430
|
1103
|
540
|
995
|
|
|
2200
|
840
|
2200
|
1739
|
2487
|
400
|
430
|
1103
|
540
|
995
|
|
|
2400
|
910
|
2400
|
1850
|
2595
|
400
|
430
|
1103
|
540
|
995
|
|
PN
|
DN
|
L
|
A
|
H1
|
H2
|
DO
|
B1
|
B2
|
B3
|
B4
|
|
1.0MPa
|
500
|
229
|
|
548
|
943
|
500
|
145
|
533
|
162
|
610
|
|
600
|
267
|
|
583
|
985
|
500
|
175
|
583
|
230
|
683
|
|
|
700
|
292
|
|
612
|
1075
|
500
|
175
|
583
|
230
|
683
|
|
|
800
|
318
|
|
677
|
1190
|
400
|
225
|
709
|
303
|
770
|
|
|
900
|
330
|
|
745
|
1245
|
400
|
225
|
709
|
303
|
760
|
|
|
1000
|
410
|
|
817
|
1303
|
400
|
225
|
728
|
303
|
760
|
|
|
1200
|
470
|
1200
|
948
|
1529
|
400
|
275
|
843
|
385
|
778
|
|
|
1400
|
530
|
1400
|
1158
|
1692
|
400
|
275
|
879
|
385
|
792
|
|
|
1600
|
600
|
1600
|
1285
|
1885
|
400
|
275
|
969
|
450
|
856
|
