
产品概述
本阀适用于无腐蚀的饱和水蒸汽低真空管路上,作为闭路设备。该系列阀门密封型蝶阀,蝶阀两端轴封处用0.25MPa的压力密封,确保轴封处不泄漏。DS9D41X-2.5C型其结构为双阀座形式,两座之间以及轴端处均为橡胶眯缝与压力水(压值0.25MPa)相结合形式密封。如用户需要,可在阀体闭上加装电热装置。
|
型号
|
DS9D41X-2.5C
|
DS9D41X-2.5C
|
|
|
公称压力(MPa)
|
0.25
|
0.25
|
|
|
试验压力(MPa)
|
强度试验
|
0.4
|
0.4
|
|
密封试验
|
0.275
|
0.275
|
|
|
工作压力(MPa)
|
0.25
|
0.25
|
|
|
适用介质
|
无腐蚀饱和水蒸汽
|
||
|
适用温度
|
≤120
|
≤200
|
|
|
真空浅漏率
|
≤6.67×10-2PaM3S
|
||
|
法兰连接尺寸标准
|
GB25555~2556-81
|
||
|
压力试验标准
|
GB/T13927-92
|
||
|
零件名称
|
阀体、阀板
|
阀轴、密封座
|
蝶板密封圈
|
|
材料
|
Q235-A、F钢板
|
2Cr13、1Cr18Ni9Ti
|
三元乙橡胶、氟橡胶
|
|
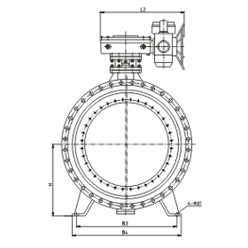
DN
|
D
|
D1
|
D2
|
L
|
n-d
|
b
|
f
|
A
|
B
|
H
|
|
1000
|
1170
|
1120
|
1080
|
305
|
28-30
|
42
|
5
|
590
|
980
|
2230
|
|
1200
|
1375
|
1320
|
1280
|
381
|
32-30
|
44
|
5
|
590
|
980
|
2476
|
|
1400
|
1575
|
1520
|
1480
|
381
|
36-30
|
46
|
5
|
630
|
1117
|
2793
|
|
1600
|
1790
|
1730
|
1690
|
457
|
40-30
|
48
|
5
|
630
|
1117
|
2850
|
|
1800
|
1990
|
1930
|
1890
|
457
|
44-30
|
50
|
5
|
850
|
1480
|
3187
|
|
2000
|
2190
|
2130
|
2090
|
540
|
48-30
|
52
|
5
|
850
|
1480
|
3310
|
|
2200
|
2405
|
2340
|
2295
|
590
|
52-33
|
56
|
6
|
850
|
1554
|
3915
|
|
2400
|
2605
|
2540
|
2495
|
650
|
56-33
|
60
|
6
|
850
|
1554
|
4187
|
|
2600
|
2805
|
2740
|
2695
|
700
|
60-33
|
64
|
6
|
1533
|
1435
|
4409
|
|
2800
|
3030
|
2960
|
2910
|
760
|
64-36
|
66
|
6
|
1585
|
1837
|
4760
|
|
3000
|
3230
|
3160
|
3110
|
810
|
68-36
|
70
|
6
|
1585
|
1837
|
5008
|
