
|
公称通径 DN
|
50~3000mm
|
公称压力
|
0.1~4.0Mpa
|
|
适用温度
|
-50~200
|
传动方式
|
手支、蜗轮、气动、电动
|
|
适用介质
|
水、蒸气、酸、碱、油品等
|
||
|
制造标准
|
GB12238-89
|
尺寸标准
|
GB/T17241.6-98
|
|
结构长度
|
GB12221-89
|
检验标准
|
GB/T13927-92
|
|
阀体
|
阀板
|
阀座
|
阀杆
|
填料
|
|
HT200
WCB 1Cr18Ni9Ti |
HT200
WCB 1Cr18Ni9Ti |
丁腈橡胶
乙丙橡胶 氟橡胶 |
45
2Cr13 1Cr18Ni9Ti |
柔性石墨
|
|
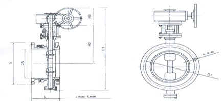
规格
|
D1
|
D2
|
D
|
Lmax
|
Lmin
|
H1
|
H2
|
Z-ød
|
|
100
|
180
|
155
|
215
|
216
|
174
|
110
|
170
|
8-ø18
|
|
125
|
210
|
185
|
245
|
232
|
186
|
123
|
185
|
8-ø18
|
|
150
|
240
|
210
|
280
|
239
|
194
|
140
|
210
|
8-ø23
|
|
200
|
295
|
265
|
335
|
264
|
214
|
170
|
238
|
8-ø23
|
|
250
|
350
|
320
|
390
|
296
|
235
|
195
|
270
|
12-ø23
|
|
300
|
400
|
368
|
440
|
300
|
250
|
222
|
300
|
12-ø23
|
|
350
|
460
|
428
|
500
|
320
|
270
|
252
|
330
|
16-ø23
|
|
400
|
515
|
482
|
565
|
332
|
282
|
285
|
368
|
16-ø25
|
|
450
|
565
|
532
|
615
|
355
|
305
|
310
|
402
|
20-ø25
|
|
500
|
620
|
585
|
670
|
365
|
315
|
337
|
438
|
20-ø25
|
|
600
|
725
|
685
|
780
|
420
|
370
|
393
|
490
|
20-ø30
|
|
700
|
840
|
800
|
895
|
446
|
396
|
450
|
558
|
24-ø30
|
|
800
|
950
|
905
|
1010
|
476
|
426
|
515
|
625
|
24-ø34
|
|
900
|
1050
|
1005
|
1110
|
506
|
456
|
560
|
685
|
28-ø34
|
|
1000
|
1160
|
1115
|
1220
|
516
|
466
|
610
|
750
|
28-ø34
|
|
1200
|
1380
|
1325
|
145
|
560
|
510
|
725
|
880
|
32-ø41
|
|
1400
|
1590
|
1525
|
1675
|
590
|
540
|
840
|
987
|
36-ø48
|
|
1600
|
1820
|
1750
|
1915
|
630
|
585
|
960
|
1158
|
40-ø54
|
|
1800
|
2020
|
1950
|
2115
|
680
|
630
|
1060
|
1258
|
44-ø54
|
|
2000
|
2230
|
2160
|
2325
|
730
|
680
|
1165
|
1365
|
48-ø54
|
